Phân Loại:
Cam kết bán hàng
  • Sản phẩm chính hãng Sản phẩm chính hãng
  • Bảo hành có cam kết Bảo hành có cam kết
  • Đầy đủ phụ kiện từ nhà sản xuất Đầy đủ phụ kiện từ nhà sản xuất
  • Giao hàng nhanh chóng (tuỳ khu vực) Giao hàng nhanh chóng (tuỳ khu vực)
Lưu Ý

Tất cả sản phẩm được nhập khẩu chính hãng SIEMENS.
Bảo hành 12 tháng khi mua tại TPNewtech.

Sản phẩm bao gồm:
- Bao bì
- Thiết bị
- Hóa đơn GTGT
- CO/CQ

(Có giá tốt khi mua số lượng nhiều) 

Luôn có chương trình hỗ trợ dự án công trình, hãy gọi ngay cho chúng tôi

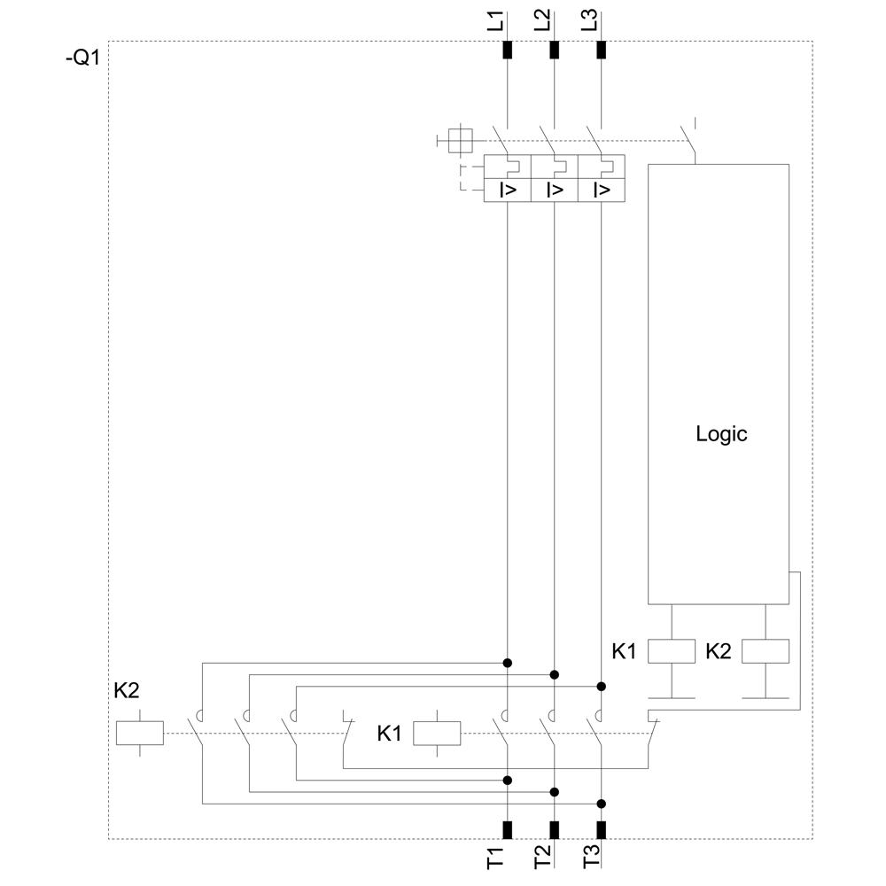
Rs1-x cho et 200s cho cấu hình cá nhân hóa.


Thông tin kỹ thuật:

  • Phạm vi cài đặt: 4,5...6,3 A AC-3

  • Công suất: 2,2 kW / 400 V

  • Bộ khởi động cơ điện cho mô-đun điều khiển phanh

  • Thay thế hệ thống I/O phân tán ET 200S bằng hệ thống ET 200SP mới


Lợi ích cho khách hàng:

  • Cung cấp khả năng khởi động và điều khiển đảo chiều hiệu quả cho động cơ điện.

  • Thiết kế mở rộng giúp linh hoạt trong việc lắp đặt và vận hành.

  • Thay thế dễ dàng và cải tiến với hệ thống mới ET 200SP.

Additional Information

Support

Technical Data

Manuals / Links

Thông số kỹ thuật
FEATUREVALUE
  
Supporting protocol for ASIfalse
Width90 mm
Overload release current setting6.3 A
Height265 mm
With transformerfalse
Release classCLASS 10
Degree of protection (IP)IP20
Rated control supply voltage DC28.8 V
Type of electrical connection of main circuitScrew connection
With short-circuit releasetrue
Voltage type for actuatingDC
Type of motor starterReversing starter
Rated control supply voltage DC20.4 V
Rated operation current at AC-3, 400 V6.3 A
Rated operation power at AC-3, 400 V2.2 kW
Overload release current setting4.5 A
Depth120 mm
đánh giá trên sản phẩm “3RK1301-1GB00-1AA2 RS1-X cho ET 200S Bộ khởi động đảo chiều tiêu chuẩn có thể mở rộng 4,5-6,3 A Siemens

Sản phẩm đã xem

Đăng kí nhận tin