Phân Loại:
Cam kết bán hàng
  • Sản phẩm chính hãng Sản phẩm chính hãng
  • Bảo hành có cam kết Bảo hành có cam kết
  • Đầy đủ phụ kiện từ nhà sản xuất Đầy đủ phụ kiện từ nhà sản xuất
  • Giao hàng nhanh chóng (tuỳ khu vực) Giao hàng nhanh chóng (tuỳ khu vực)
LƯU Ý

Tất cả sản phẩm được nhập khẩu chính hãng SIEMENS.
Bảo hành 12 tháng khi mua tại TPNewtech.

Sản phẩm bao gồm:
- Bao bì
- Thiết bị
- Hóa đơn GTGT
- CO/CQ

(Có giá tốt khi mua số lượng nhiều) 

Luôn có chương trình hỗ trợ dự án công trình, hãy gọi ngay cho chúng tôi

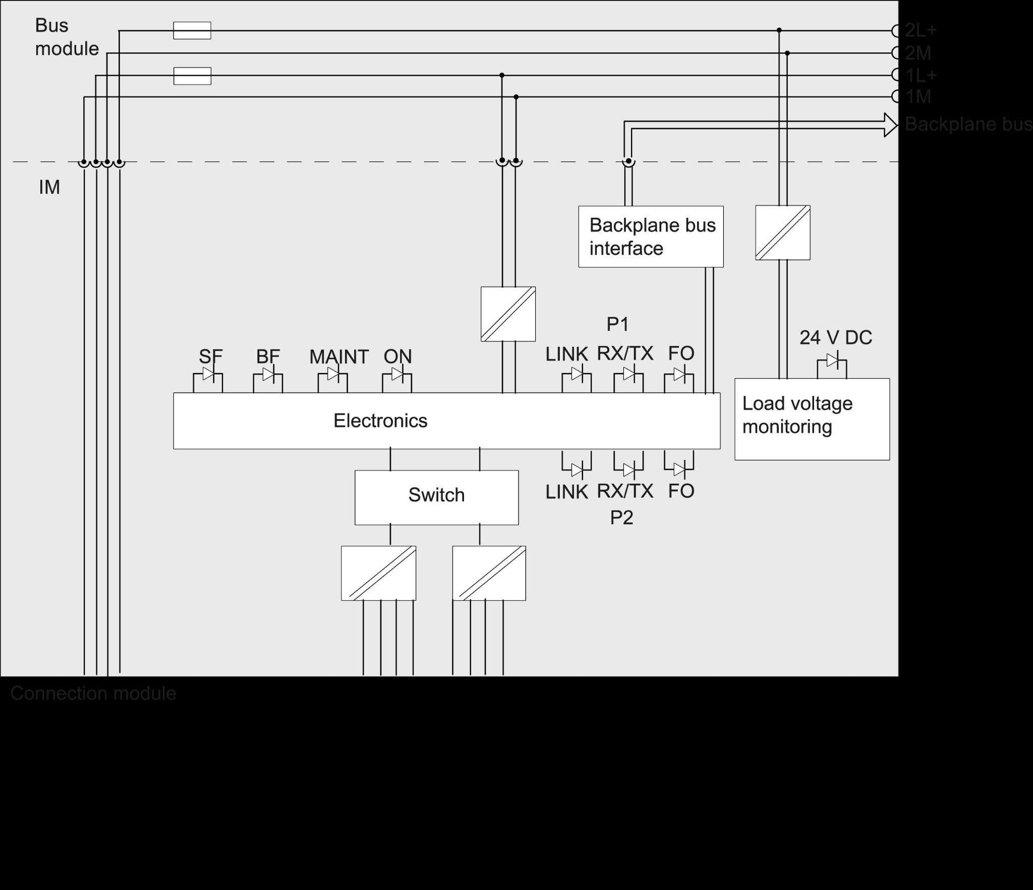
Simatic DP, Mô-đun giao diện PROFINET IM 154-4 PN cho cấu hình cá nhân hóa.


Thông tin kỹ thuật:

  • Cấp độ bảo vệ: IP65/67

  • Chức năng hoán đổi nóng cho phép thay thế mô-đun điện tử mà không tắt máy

  • Phạm vi mô-đun mở rộng, bao gồm mô-đun đầu vào và đầu ra kỹ thuật số và tương tự

  • Các mô-đun an toàn cho các ứng dụng lên đến SIL 3 / PLe

  • Giải pháp điều khiển động cơ dưới dạng bộ khởi động động cơ và bộ biến tần

  • Mô-đun kết nối các thiết bị thành phần RFID qua giao diện RS 232 / 422


Lợi ích cho khách hàng:

  • Thiết kế mô-đun cho phép lắp đặt trực tiếp trên máy mà không cần tủ điều khiển

  • Tiết kiệm không gian nhờ cấu trúc chắc chắn

  • Giảm thiểu thời gian ngừng hoạt động của nhà máy nhờ vào các chức năng chẩn đoán mở rộng

  • Giải pháp hoàn chỉnh linh hoạt và chất lượng cao phù hợp với tải trọng cơ học cao

  • Quản lý chất lượng liên tục giúp thiết lập các tiêu chuẩn thị trường mới

Additional Information

Support

Technical Data

Manuals / Links

ID: 6ES7154-4AB10-0AB0

Click to View: ➡️ 3D CAD Model

 

Thông số kỹ thuật
FEATUREVALUE
Supporting protocol for TCP/IPfalse
Supporting protocol for PROFINET CBAfalse
Radio standard eGPRSfalse
Appendant operation agent (Ex ib)false
Supporting protocol for PROFIsafetrue
Depth60 mm
IO link masterfalse
Supporting protocol for DeviceNet Safetyfalse
Radio standard UMTSfalse
Supporting protocol for ASIfalse
Supporting protocol for Modbusfalse
Radio standard GSMfalse
Supporting protocol for INTERBUS-Safetyfalse
Voltage type (supply voltage)DC
Radio standard WLAN 802.11false
Supporting protocol for PROFIBUSfalse
Supply voltage DC20.4 V
Rack-assembly possiblefalse
Height130 mm
Supporting protocol for SERCOSfalse
Appendant operation agent (Ex ia)false
Suitable for safety functionstrue
Supporting protocol for LONfalse
Supporting protocol for Data-Highwayfalse
Radio standard Bluetoothfalse
Supporting protocol for SafetyBUS pfalse
Supporting protocol for SUCONETfalse
Front built-in possibletrue
With potential separationtrue
Radio standard LTEfalse
Supporting protocol for Foundation Fieldbusfalse
Supporting protocol for CANfalse
Wall mounting/direct mountingtrue
System accessorytrue
Supporting protocol for DeviceNetfalse
Supporting protocol for KNXfalse
Supporting protocol for EtherNet/IPfalse
Rail mounting possibletrue
Supporting protocol for other bus systemsfalse
Supply voltage DC28.8 V
Supporting protocol for INTERBUSfalse
Fieldbus connection over separate bus coupler possiblefalse
Supporting protocol for AS-Interface Safety at Workfalse
Width135 mm
Radio standard GPRSfalse
Supporting protocol for PROFINET IOtrue
đánh giá trên sản phẩm “6ES7154-4AB10-0AB0 SIMATIC ET 200pro IM 154-4 PN HF Siemens

Sản phẩm đã xem

Đăng kí nhận tin